KHỚP NỐI TRỤC KTR RETOEX GR STANDARD
KTR RETOEX STANDARD
KTR-GERMANY
Theo tiêu chuẩn nhà sản xuất
0985.288.164
HOTLINE TƯ VẤN : 0985.288.164
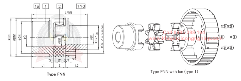
• Các khớp nối ROTEX® Chuẩn là một hàm kiểu khớp nối cho giảm xóc của rung động xoắn trong truyền tải điện. Chúng được thiết kế để trở thành plug-in hướng trục và có đặc điểm là dễ lắp ráp và thiết kế không cần bảo trì . Nhện tiêu chuẩn được sử dụng được làm bằng T-PUR® chịu được nhiệt độ cao với phạm vi hoạt động từ -50 ° C đến +120 ° C với nhiệt độ cao nhất lên đến + 150 ° C. Các khớp nối có răng xoắn theo DIN và SAE và có lỗ đế và lỗ côn.
• Các khớp nối của hàm đảm bảo truyền lực chống rung xoắn và hấp thụ các chấn động do máy móc hoạt động không đều đặn tạo ra.
• Trái ngược với khớp nối mềm, các phần tử kết nối của chúng chịu uốn và do đó bị mài mòn sớm hơn, răng dẻo của khớp nối ROTEX (chất đàn hồi) chỉ chịu ứng suất nén. Do đó, lợi ích của khớp nối đàn hồi là chống lại tải trọng cao hơn đáng kể.
• Tất cả các kích cỡ của khớp nối đàn hồi ROTEX có góc xoắn tối đa là 5 °. Chúng có thể được gắn theo cả chiều ngang và chiều dọc.
• Vòng đệm T-PUR ® (chất đàn hồi) của chúng tôi chịu được nhiệt độ cao hơn và có tuổi thọ dài hơn đáng kể so với các loại polyuretan thông thường. Từ góc nhìn trực quan, chúng tôi đánh dấu vật liệu T-Pur bằng các màu cam (92 Shore A), tím (98 Shore A) và xanh lục nhạt (64 Shore D).
• Vòng đệm polyurethane trước đây với các màu vàng, đỏ và trắng tự nhiên với màu xanh lá cây vẫn tiếp tục được cung cấp theo yêu cầu.
CATALOGUE KHỚP NỐI KTR ROTEX

HƯỚNG DẪN CÀI ĐẶT KTR ROTEX 


Khớp nối trục Rotex tiêu chuẩn 98-95 SH A (T-PUR) – Hub 1
|
Size |
Torque [Nm] |
Dimensions [mm] |
||||
|
TKN |
TKmax |
dmax |
DH |
D |
L |
|
|
ROTEX 19 |
17 |
34 |
19 |
41 |
32 |
66 |
|
ROTEX 24 |
60 |
120 |
24 |
56 |
40 |
78 |
|
ROTEX 28 |
160 |
320 |
28 |
66 |
48 |
90 |
|
ROTEX 38 |
325 |
650 |
40 |
80 |
66 |
114 |
|
ROTEX 42 |
450 |
900 |
45 |
95 |
75 |
126 |
|
ROTEX 48 |
525 |
1050 |
52 |
105 |
85 |
140 |
|
ROTEX 55 |
685 |
1370 |
60 |
120 |
98 |
160 |
|
ROTEX 65 |
940 |
1880 |
70 |
135 |
115 |
185 |
|
ROTEX 75 |
1920 |
3840 |
80 |
160 |
135 |
210 |
|
ROTEX 90 |
3600 |
7200 |
97 |
200 |
160 |
245 |
|
ROTEX 100 |
4950 |
9900 |
115 |
225 |
180 |
270 |
|
ROTEX 110 |
7200 |
14400 |
125 |
255 |
200 |
295 |
|
ROTEX 125 |
10000 |
20000 |
145 |
290 |
230 |
340 |
|
ROTEX 140 |
12800 |
25600 |
160 |
320 |
255 |
375 |
|
ROTEX 160 |
19200 |
38400 |
185 |
370 |
290 |
425 |
|
ROTEX 180 |
28000 |
56000 |
200 |
420 |
325 |
475 |
Khớp nối Rotex Hub 1a-1b
|
Size |
Hub |
Torque [Nm] |
Dimensions [mm] |
|||
|
TKN |
TKmax |
dmax |
DH |
L |
||
|
ROTEX 19 |
1a |
17 |
34 |
19 |
41 |
66 |
|
ROTEX 24 |
1a |
60 |
120 |
24 |
56 |
78 |
|
ROTEX 28 |
1a |
160 |
320 |
28 |
66 |
90 |
|
ROTEX 38 |
1a - 1b |
325 |
650 |
40-48 |
80 |
114-164 |
|
ROTEX 42 |
1a - 1b |
450 |
900 |
45-55 |
95 |
126-176 |
|
ROTEX 48 |
1a - 1b |
525 |
1050 |
52-62 |
105 |
140-188 |
|
ROTEX 55 |
1a - 1b |
685 |
1370 |
60-74 |
120 |
160-210 |
|
ROTEX 65 |
1a - 1b |
940 |
1880 |
70-80 |
135 |
185-235 |
|
ROTEX 75 |
1a - 1b |
1920 |
3840 |
80-95 |
160 |
210-260 |
|
ROTEX 90 |
1a - 1b |
3600 |
7200 |
97-110 |
200 |
245-295 |
Công ty rất hân hạnh được phục vụ nhu cầu của quý khách, vui lòng liên hệ tại đây:
CÔNG TY TNHH KỸ THUẬT VÀ DỊCH VỤ MINH PHÚ
Địa chỉ: Số 244/44, Đường Dương Đình Hội, Phường Tăng Nhơn Phú B, TP.Thủ Đức, Thành phố Hồ Chí Minh, Việt Nam
Hotline, zalo, skype: 0985288164 ( Mr.Hải )
Email: hoanghai@minhphuco.vn
Website: www.khopnoicongnghiep.com
Sản phẩm cùng loại















