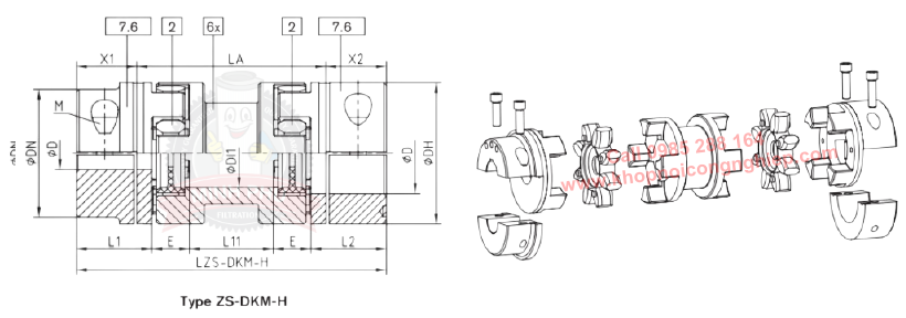
KHỚP NỐI TRỤC KTR ROTEX ZS-DKM-H
KTR ROTEX ZS-DKM-H
KTR-GERMANY
Theo tiêu chuẩn nhà sản xuất
0985.288.164
HOTLINE TƯ VẤN : 0985.288.164
• Khớp nối hàm linh hoạt xoắn ROTEX ® là khớp nối đàn hồi có thiết kế nhỏ gọn.
Bất chấp trọng lượng thấp và mômen quán tính của các khớp nối đàn hồi, chúng có thể truyền mômen xoắn cao. Các khớp nối trục nhỏ gọn được đặc trưng bởi tuổi thọ dài và các đặc tính hoạt động âm thanh được tạo ra bởi quá trình gia công toàn bộ.
• Nhờ có chất đàn hồi (nhện đàn hồi) giữa các trung tâm khớp nối của khớp nối hàm mà các dao động xoắn tương ứng trong bộ truyền động được giảm bớt. Vật liệu nhện chịu nhiệt độ cao T-PUR ® (chất đàn hồi) có nhiều mức độ cứng khác nhau. Các khớp nối ROTEX linh hoạt dạng xoắn được sử dụng trong hầu hết các loại máy móc nói chung và kỹ thuật nhà máy.
Tính chất của khớp nối hàm linh hoạt dạng xoắn:
• Khớp nối trục ROTEX bao gồm hai trục (nhôm hoặc thép) và một vòng đệm được làm bằng T-PUR. Các mức độ cứng khác nhau của T-PUR-spider cho phép điều chỉnh mức độ giảm chấn và độ cứng xoắn của khớp nối đàn hồi.
• Các khớp nối ROTEX yêu cầu ít không gian lắp đặt và do đó cho phép lắp ráp / tháo rời dễ dàng. Nhiều loại cung cấp sự linh hoạt tối đa và đáp ứng các yêu cầu lắp đặt khác nhau thông qua các loại trung tâm khác nhau.
Chức năng của khớp nối hàm linh hoạt xoắn:
• Khớp nối hàm đảm bảo truyền lực giảm rung xoắn và hấp thụ các chấn động do máy móc hoạt động không đều.
• Trái ngược với khớp nối mềm, các phần tử kết nối của chúng chịu uốn và do đó bị mòn sớm hơn, răng dẻo của khớp nối ROTEX ® (chất đàn hồi) chỉ chịu ứng suất nén. Do đó, lợi ích của khớp nối đàn hồi là chống lại tải trọng cao hơn đáng kể.
• Các chất đàn hồi trở nên biến dạng khi tải và tốc độ cao. Phải cung cấp đủ không gian mở rộng.
• Tất cả các kích cỡ của khớp nối đàn hồi ROTEX ® đều có góc xoắn tối đa là 5 °. Chúng có thể được gắn theo cả chiều ngang và chiều dọc.
Vòng đệm:
• Vòng đệm T-PUR ® (chất đàn hồi) của chúng tôi chịu được nhiệt độ cao hơn và có tuổi thọ dài hơn đáng kể so với các loại polyuretan thông thường. Từ góc nhìn trực quan, chúng tôi đánh dấu vật liệu T-Pur bằng các màu cam (92 Shore A), tím (98 Shore A) và xanh lục nhạt (64 Shore D).
• Vòng đệm polyurethane trước đây với các màu vàng, đỏ và trắng tự nhiên với màu xanh lá cây vẫn tiếp tục được cung cấp theo yêu cầu.

CATALOGUE KHỚP NỐI KTR ROTEX ZS-DKM-H

Công ty rất hân hạnh được phục vụ nhu cầu của quý khách, vui lòng liên hệ tại đây:
CÔNG TY TNHH KỸ THUẬT VÀ DỊCH VỤ MINH PHÚ
Địa chỉ: Số 244/44, Đường Dương Đình Hội, Phường Tăng Nhơn Phú B, TP.Thủ Đức, Thành phố Hồ Chí Minh, Việt Nam
Hotline, zalo, skype: 0985288164 ( Mr.Hải )
Email: hoanghai@minhphuco.vn
Website: www.khopnoicongnghiep.com
Sản phẩm cùng loại















