KHỚP NỐI TRỤC KTR REVOLEX KX-D GANG
REVOLEX KX-D
KTR-GERMANY
Theo tiêu chuẩn nhà sản xuất
0985.288.164
HOTLINE TƯ VẤN : 0985.288.164
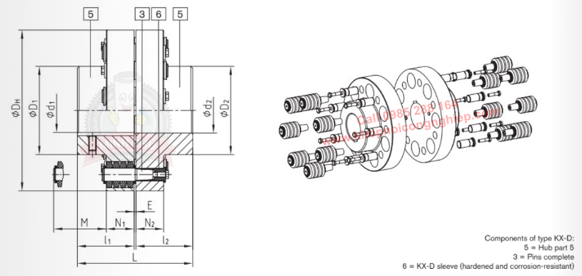
Tính chất của khớp nối:
• Các khớp nối REVOLEX có thể được cắm theo trục và có đặc điểm là kích thước ngắn. Các khớp nối chốt & ống lót này thường được trang bị các chốt có thể tháo rời bằng thủy lực, có nghĩa là không cần các công cụ đặc biệt để tháo rời. Các thành phần khớp nối của khớp nối chân và ống lót REVOLEX ® không cần bảo dưỡng và cho phép tháo rời trơn tru các vòng đàn hồi cùng với các chân trong tình trạng được gắn kết.
• Các khớp nối chân và ống lót REVOLEX ® thường được cung cấp với 80 vòng đàn hồi ShA NBR với vật liệu tiêu chuẩn là một vật liệu toàn diện thực sự. Chất đàn hồi NR có sẵn cho các ứng dụng nhiệt độ thấp. Ngoài phản ứng dữ dội đó, chất đàn hồi NBR cách điện (màu xanh lam) có sẵn, được sử dụng chủ yếu trong các ổ cáp.

Thông số Size khớp nối KTR REVOLEX KX-D GANG:


Công ty rất hân hạnh được phục vụ nhu cầu của quý khách, vui lòng liên hệ tại đây:
CÔNG TY TNHH KỸ THUẬT VÀ DỊCH VỤ MINH PHÚ
Địa chỉ: Số 244/44, Đường Dương Đình Hội, Phường Tăng Nhơn Phú B, TP.Thủ Đức, Thành phố Hồ Chí Minh, Việt Nam
Hotline, zalo, skype: 0985288164 ( Mr.Hải )
Email: hoanghai@minhphuco.vn
Website: www.khopnoicongnghiep.com
Sản phẩm cùng loại



