REXNORD VIVA VSX EXTENDED SPACER ELASTOMERIC COUPLINGS
VIVA VSX EXTENTED
REXNORD-USA
According to manufacturer standards
0985.288.164
HOTLINE TƯ VẤN : 0985.288.164
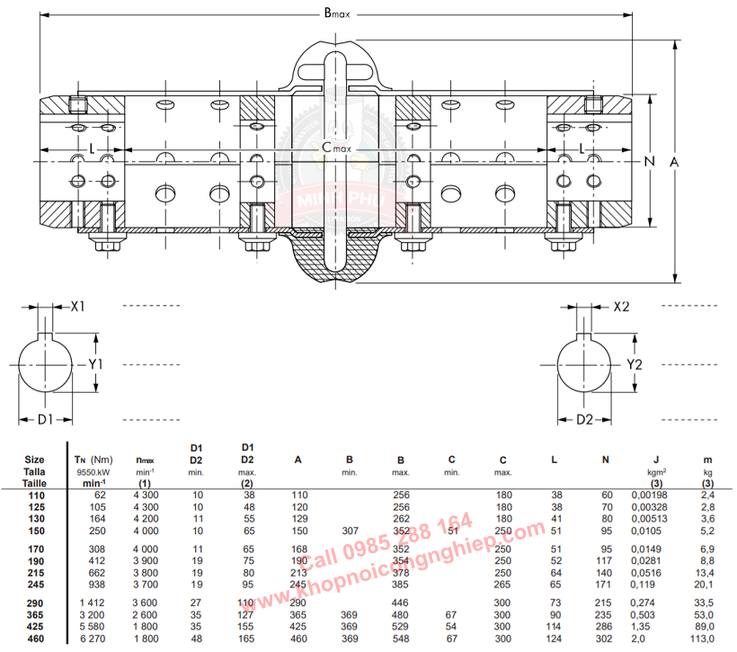
• Couplings REXNORD VIVA SIZE VSX110
• Couplings REXNORD VIVA SIZE VSX125
• Couplings REXNORD VIVA SIZE VSX130
• Couplings REXNORD VIVA SIZE VSX150
• Couplings REXNORD VIVA SIZE VSX170
• Couplings REXNORD VIVA SIZE VSX190
• Couplings REXNORD VIVA SIZE VSX215
• Couplings REXNORD VIVA SIZE VSX245
• Couplings REXNORD VIVA SIZE VSX290
• Couplings REXNORD VIVA SIZE VSX365
• Couplings REXNORD VIVA SIZE VSX425
• Couplings REXNORD VIVA SIZE VSX460
CATALOGUE COUPLINGS REXNORD VIVA
REXNORD VIVA INSTALLATION INSTRUCTIONS 



The company is very pleased to serve your needs, please contact here:
MINH PHU ENGINEERING & SERVICE CO., LTD
Address: No. 244/44, Duong Dinh Hoi Street, Tang Nhon Phu B Ward, District 9, Ho Chi Minh City, Vietnam
Hotline, zalo, skype: 0985288164 (Mr.Hai)
Email: hoanghai@minhphuco.vn
Website: www.khopnoicongnghiep.com
Sản phẩm cùng loại












