POLY PKD torsionally flexible, shear type shaft coupling
KTR POLY PKD
KTR-GERMANY
Theo tiêu chuẩn nhà sản xuất
0985.288.164
HOTLINE TƯ VẤN : 0985.288.164
• The POLY shaft coupling is a torsionally flexible shaft coupling (safety coupling) for general engineering. It can be plugged in axially and is characterized by its excellent compensaion of vibrations.
• Its special feature are flexible elements (packages) in both coupling halves. Thanks to the individual elements it has shear type properties interrupting the power transmission with overland or wear of elements.
Operation of shear type shaft couplings:
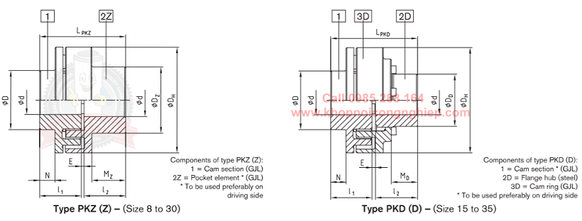
• The shear type POLY shaft coupling has particularly short dimensions and consists of two hubs with cam and pocket elements positioned on the circumference on the face that are mounted by blind axial plug-in.
• The individual elastomers clamp in the tailor-made free spaces of the coupling hubs transmitting the torque in this way.
• With overload or wear of the elements the power transmission is interrupted and the shaft coupling (safety coupling) shears.

Size parameter KTR POLY NORM PKD:

CATALOGUE THE COUPLING KTR POLY PKD

The company is very pleased to serve your needs, please contact here:
MINH PHU ENGINEERING & SERVICE CO., LTD
Address: No. 244/44, Duong Dinh Hoi Street, Tang Nhon Phu B Ward, District 9, Ho Chi Minh City, Vietnam
Hotline, zalo, skype: 0985288164 (Mr.Hai)
Email: hoanghai@minhphuco.vn
Website: www.khopnoicongnghiep.com
Sản phẩm cùng loại



