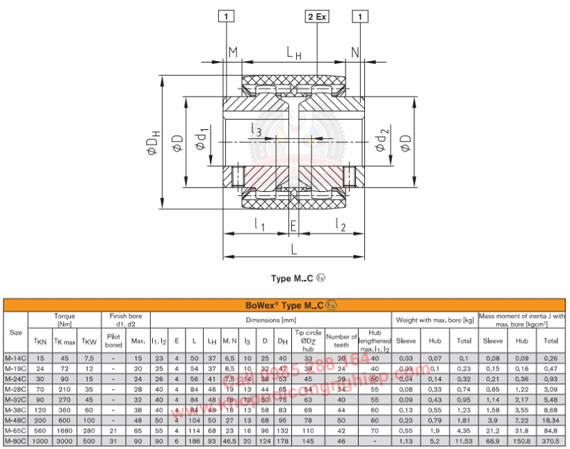
The coupling KTR BoWex M-C curved-tooth gear
BOWEX M-C
KTR-GERMANY
According to manufacturer standards
0985.288.164
HOTLINE TƯ VẤN : 0985.288.164
• The polyamide material allows for maintenance-free permanent operation with very good coefficients of friction of the teeth.
• Subject to the double-cardanic operating principle of the BoWex gear couplings restoring forces can be ignored with angular and radial displacements and periodical fluctuations of angular velocity do not appear.
• BoWex gear couplings can be assembled in vertical or horizontal design.
• The smooth and hard surface (crystalline structure) along with the high thermal stability and resistance to lubricants, fuels, hydraulic liquids, dissolvents, etc. make polyamide an ideal material for components stressed by sliding, specifically for coupling manufacture.


The company is very pleased to serve your needs, please contact here:
MINH PHU ENGINEERING & SERVICE CO., LTD
Address: No. 244/44, Duong Dinh Hoi Street, Tang Nhon Phu B Ward, District 9, Ho Chi Minh City, Vietnam
Hotline, zalo, skype: 0985288164 (Mr.Hai)
Email: hoanghai@minhphuco.vn
Website: www.khopnoicongnghiep.com
Sản phẩm cùng loại













